Guilford County North Carolina
Home   County Home   Tax Dept Home   Tax Bills   Maps   Tax Rates

Guilford County Real Property Data          

Building Summary

Data last updated on: 1/2/2026     Ownership current as of: 12/31/2025     Tax Year: 2026
REID 235710

PIN # 7842-00-0454

Location Address Property Description
3900 TEE ISLAND CT GRIFFINS GATE @ GRANDOVER LO:38 PL:210-8
   
Property Owner Owner's Mailing Address
BERRY, GILLIAN LEE ANNE ELIZABETH
3900 TEE ISLAND CT
GREENSBORO NC 27407
Parcel
Buildings
Misc Improvements
Land
Deeds
Notes
Sales
Photos
Tax Bill
Map
Building Location Address
3900 TEE ISLAND CT
Card   of  1
Building Details

Building Type 01-SFR-CONST
Building Use 01-SFR
Units 1
Living Area (SQFT) 3536
Number of Stories 1.00
Style 1.5 STORY
Foundation CONTFOOT
Exterior FACE BRK
Const Type Gable
Heating FORCED AIR-DUCTED
Air Cond CENTRAL
Plumbing Baths (Full):   4
Baths (Half):   1
Extra Fixtures:   5
Total Plumbing Fixtures:   19 
Bedrooms 4
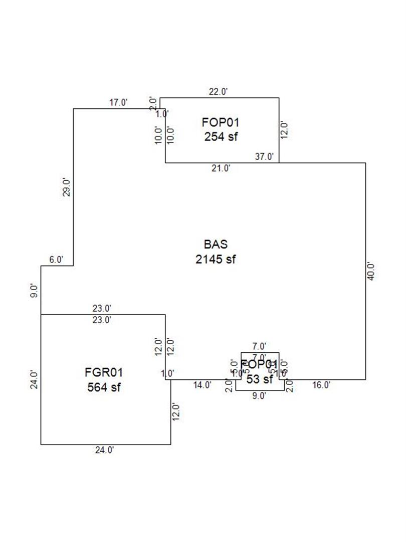
Main Body (SQFT) 2145
Building Description

Year Built 2023
Additions 4
Effective Year 2023
Remodeled 0
Interior Adj.
Other Features
Building Total & Improvement Details

Grade A-5 175%
Percentage Complete 100
Total Adjusted Replacement Cost New $500,438
Physical Depreciation (% Bad) 0%
Depreciated Value $495,434
Economic Depreciation (% Bad) 0%
Functional Depreciation (% Bad) 0%
Total Depreciated Value $495,434
Market Area Factor 1.00
Building Value $495,400
Misc Improvements Value
Total Improvement Value $495,400

Assessed Land Value $97,000
   
Assessed Total Value $592,400



Addition Summary 
StoryTypeCodeArea
1.00 Porch, Open Fin FOP0 53
1.00 Garage, Finished FGR0 564
1.00 Porch, Open Fin FOP0 254
1.00 Upper Story Fin FUS 1391
 
Other Improvements 
 


Building Sketch
Photograph
Building Sketch Building Photo
(Click sketch for bigger image)





Per North Carolina General Statute 105-285-287 (d), all real property in North Carolina is subject to listing and valuation annually as it exists on January 1. Real Property assessments are based on market values as of the date of the last countywide reappraisal in 2022.

Prints best in landscape mode