Guilford County North Carolina
Home   County Home   Tax Dept Home   Tax Bills   Maps   Tax Rates

Guilford County Real Property Data          

Building Summary

Data last updated on: 10/3/2025     Ownership current as of: 10/2/2025     Tax Year: 2025
REID 98297

PIN # 7824-08-0864

Location Address Property Description
6426 BURNT POPLAR RD HOLIDAY INN/ AIRPORT
   
Property Owner Owner's Mailing Address
S M P GREENSBORO LLC;REGENCY INVESTMENT LLC
1205 HEMBY RIDGE LN
MORRISVILLE NC 27560
Parcel
Buildings
Misc Improvements
Land
Deeds
Notes
Sales
Photos
Tax Bill
Map
Building Location Address
6426 BURNT POPLAR RD
Card   of  1        Section   of  1
Building Details

Building Name HOLIDAY INN
Primary Occupancy Type Apartments, Hotels
Primary Occupancy 11-594-Hotel, Full S
Primary Class C
Primary Quality Average
Year Built 1973
Effective Year 1983
Physical Depreciation (Rating) A
Physical Depreciation (% Bad) 49.00%
Economic Depreciation (% Bad) 0%
Functional Depreciation (% Bad) 0%
Gross Leasable Area (SQFT) 109535
Remodeled Year
Total Stories 1

Section Details

Occupancy Type Apartments, Hotels


Air Conditioning CENTRAL
FIXTURES 609
Class C
Depreciation 56%
Depreciation A
Heat 606-Space Heater
Interior Finish DRYWALL/SHEETROCK
Occupancy 11-594-Hotel, Full S
Quality Average
Sprinkler No Sprinklers
Exterior Walls 805-Brick with Block
Building Total & Improvement Details

Total Adjusted Replacement Cost New $12,884,788
Physical Depreciation (% Bad) 49.00%
Depreciated Value $5,875,537
Economic Depreciation (% Bad) 0%
Functional Depreciation (% Bad) 0%
Total Depreciated Value $5,875,537
Market Area Factor 1.00
Building Value $5,875,500
Misc Improvements Value $149,100
Total Improvement Value $6,024,600

Assessed Land Value $1,757,800
   
Assessed Total Value $7,782,400


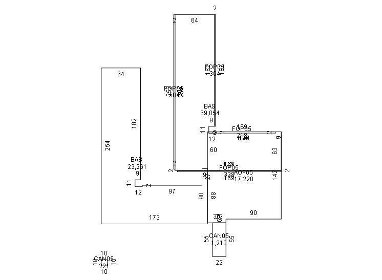
Addition Summary 
StoryTypeCodeArea
1.00 Office, Avg AOF0 17220
1.00 Canopy CAN0 1210
1.00 Porch, Open Fin FOP0 218
1.00 Porch, Open Fin FOP0 364
1.00 Porch, Open Fin FOP0 504
1.00 Porch, Open Fin FOP0 338
1.00 Canopy CAN0 221
 
Other Improvements 
UnitsDescriptionItemCodeYear% BadValue
14000 UNITS PAVING ASP 2005 64 11300
25x50 DIMENSIONS POOL/CUSTOM QUALITY SWIMMING POOL 2005 64 18900
3460 UNITS PATIO 2005 48 14400
10x15 UNITS POOL/CUSTOM QUALITY SWIMMING POOL 2005 64 3200
4 UNITS ELEVATOR PASSENGER/FLOOR STOPS 1991 60 48000
10x14 DIMENSIONS BATH HOUSE/RESTROOM FACILITY-RESIDENTIAL 2010 33 5300
4 UNITS ELEVATOR PASSENGER/FLOOR STOPS 1991 60 48000
 


Building Sketch
Photograph
Building Sketch Building Photo
(Click sketch for bigger image)





Per North Carolina General Statute 105-285-287 (d), all real property in North Carolina is subject to listing and valuation annually as it exists on January 1. Real Property assessments are based on market values as of the date of the last countywide reappraisal in 2022.

Prints best in landscape mode